约会大作战起源,澪是始源精灵,精灵都是她女儿,只有十香最特殊
2024-11-01 02:45:58
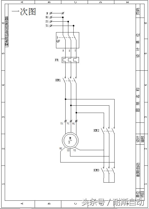
讲解最详细的星三角降压启动的电气原理图及实物接线图,莫错过!
星三角降压启动的电气原理图及实物接线图的详细解说
1) 星三角降压启动的电气原理



对电气原理图的详解:N零线,R1、S1、T1为三相进线电源,QF为空气开关,FR为热继电器, KM1为主接触器,KM2角运行接触器,KM3为星启动接触器,,辅助触点的型号是F4-22,KT为时间继电器3M~为三相异步电动机。
备注:电气原理图接触器线圈电压为AC220V,由于这是演示图,各个元件的选型都没有列举出来。
2) 三速异步电动机正反转的实物连线图:

下面对三速异步电动机正反转的实物连线图进行详解:
下面对线的颜色进行讲解:
黄色(粗)代表三相电R,绿色(粗)代表三相电S,红色(粗)代表三相电T,黑色(粗)代表零线。
.1.介绍一下什么是降压启动?
定义:降压启动是指利用起动设备将电压适当降低后,加到电动机的定子绕组上进行启动,待电动机启动运转后再使其恢复到额定电压正常运转。
2、异步电动机直接启动时,启动电流是额定电流的多少倍?
三相异步电动机直接启动时,启动电流一般为额定电流的4-7倍。
对于能够实现Y形接法和△形接法的笼形异步电动机来说Y--△降压启动是最常用的一种方法。以星形接法时每相绕组上电压为220V,角形接法
时每相绕组上电压为380V。
在电动机启动时先用接触器主触头将电动机绕组接成星形接法,待电动机转速升高后,再用用另一个接触器主触头将电动机绕组切换成角形接法,每相绕组上电压由220V
升高至380V,达到了降压启动的目的,从而减小启动动电流。
主电路
主电路由3个接触器KM1、KM2、KM3和热继电器FR组成,当接触器KM1、KM3主角触头闭合时,电动机M的定子绕组3个末端U2、V2、W2接在一起,即是星形启动以降低启动电压限制启动电流。
电动机启动后,当转速上升到接近额定转速值时,接触器KM3主触头断开,KM2主触头闭合,比时U1与W2相连,V1与U2相连,W1与v2相连,即把定子绕组改接为三角形,电动机在全压下运行。热继电器FR对电动机实现过载保护。
控制电路
启动按钮SB1:控制电动机的启动运行。
停止按钮SB2:控制电动机的停止运行。
通电延时型时间继电器KT: Y形降压启动时间和完成Y一△自动切换。
星一三角降压启动控制电路的特点
启动电压:UY为根号三分之一U△
启动转矩:MY为三分之一M△
启动电流:IY为三分之一I△
线路中的保护功能
过载保护:热继电器
联锁保护:在Y-△降压启动控制线路中,交流接触器KM3和KM2通过其常闭辅助触头实现联锁防止两个接触器同时得电造成主电源短路。
失压保护:接触器自锁触头。
Y-△降压启动的优缺点:
优点:这种种降压启动方法简单,经济
缺点:由于启动电压较低,所以只适用于轻载或空载启动,同时也只适用于铭牌上标角形接法的电动机。
时间继电器的时间设定原则
当Y形降压启动时,转速在不断上升,启动电流在逐步下降,当处于相对稳定时,此时切换到△形运行较为合适。
备注:此实物连接图中选用的空开为DZ108-20型,接触器为CJX2-2510,线圈电压为AC220V,选接触器时线圈电压千万不要选错,切记切记,报警灯线圈电压为AC220V.
希望本文能帮助朋友们,以后将给大家录制本次控制的录屏视频,敬请大家交流学习,在以后的文章中将继续更多的实用电路讲解,希望朋友们能够互相学习希望大家在学习的同时能够关注一下,谢谢。
2024-11-01 02:45:58
2024-11-01 02:43:43
2024-11-01 02:41:28
2024-11-01 02:39:14
2024-11-01 02:36:59
2024-11-01 02:34:44
2024-11-01 02:32:30
2024-11-01 02:30:15
2024-11-01 02:28:00
2024-10-31 17:55:12
2024-10-31 17:52:57
2024-10-31 17:50:42
2024-10-31 17:48:27
2024-10-31 17:46:13
2024-10-31 17:43:58
2024-10-31 17:41:43
2024-10-31 17:39:29
2024-10-31 17:37:14
2024-10-31 17:34:59
2024-10-31 09:34:06