小说:他始终相信,只要每天能够坚持下去,自己定能够学会铁砂掌
2024-12-07 04:41:24
真空系统的组成与设计概述
1.1真空系统的形式与组成
1.1.1真空系统的形式
用于满足某种真空工艺要求,具有获得并测量、控制有特定要求真空度的系统称为真空系统。
真空系统是由真空容器和获得真空、测量真空、控制真空等元件组成。一个比较完善的真空系统由真空室、能满足系统真空度要求所需的真空泵或真空机组、真空测量装置、连接导管、真空阀门、捕集器及其他真空元件、电气控制系统构成。
典型的真空系统如图1-1~图1-4所示。图1-1所示为大型扩散泵抽气系统,其被抽容器的容积较大,为了提高中真空压力区域内的抽气效率和提高系统的极限真空度,在前级机械泵与主泵之间增加了台机械增压泵(罗茨泵)。如果被抽容器的体积很大,工艺又要求在尽量短的时间内达到工作真空度(或本底真空度),则可以采取加大系统的粗(预)抽能力的方法,如图1-2所示,增加一台粗抽泵(机械泵),与原有机械泵并联,这样可以大大缩短系统的粗抽时间,使系统尽快达到主抽真空泵的启动压力。当系统内主泵开始正常工作后,则可以关闭其中一台粗抽机械泵,以节省能源。为了减少系统内的油蒸气返流污染,一般中小型容器及真空镀膜设备等多采用以分子泵为主泵的抽气系统。小型分子泵高真空抽气系统如图1-4所示。
1.1.2真空系统的组成
1.1.2.1粗(预)抽泵
预抽泵(粗抽泵)主要用来抽除真空室中的大量气体,使真空室内的气体压力由大气压力降到主泵能够启动工作时的真空度,因此,要求预抽泵所达到的压力应小于主泵的启动工作压力。机组所选用的预抽泵的抽速大小由粗抽时间决定。为了提高真空机组的利用率,预抽泵一般兼作前级泵用。用真空阀门分隔和切换两种不同的抽气功能。

图1-1 大型扩散泵真空系统原理图
1——真空室放气阀; 2——真空测量规; 3——高真空阀; 4——冷阱; 5——油扩散泵; 6——前级阀; 7——预抽阀; 8——真空膜盒继电器; 9——罗茨泵; 10——电磁压差阀; 11——机械泵

图1-2 加大粗抽能力的大型扩散泵真空系统原理图
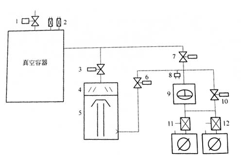
1——真空室放气阀; 2——真空测量规; 3——高真空阀; 4——冷阱; 5——油扩散泵; 6——前级阀; 7——粗(预)抽阀; 8——真空膜盒继电器; 9——罗茨泵; 10——旁通阀;
11,12——机械泵(入口带有电磁压差阀)

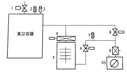
图1-3 扩散泵高真空系统原理图
1——真空室; 2——电离真空规; 3——热偶真空规; 4——放气阀; 5——高真空阀; 6——冷阱; 7——扩散泵; 8——前级真空阀; 9——电磁压差阀; 10——机械泵; 11——预(粗)抽阀

图1-4 分子泵高真空系统原理图
1——放气阀; 2——热偶真空规; 3——电离真空规; 4——高真空阀; 5——分子泵; 6——前级真空阀; 7——热偶真空规(测分子泵前级压力); 8——预抽阀; 9——电磁真空压差阀; 10——机械真空泵
1.1.2.2维持泵
由于扩散泵和油增压泵启动时间长,在周期性操作的真空设备中,真空室装料和卸料时,往往为了缩短工作周期而不停止主泵,将高真空阀门和前级管道阀门关闭,使主泵仍处于工作状态。由于阀门等总是有极少量的漏气和表面放气,经过一定时间主泵泵腔内的压力增加,超过泵工作液的最大允许压力而使泵油蒸气氧化。为了解决这个问题,一个办法是用前级泵继续抽出主泵中的气体,但此时主泵内排出的气体量很小,出现前级泵“大马拉小车”的现象,浪费能源。为此可采用另一个办法,停止前级泵工作,关闭前级管道阀门,如图1-5所示,在主泵出口处设置维持泵或储气罐(注:两者不同时设置),这样就可以保证既能排出主泵内的气体,又可以节省能源消耗。储气罐不能做得很大,它只能用在以扩散泵为主泵的小型真空机组上,而维持泵可用在配置大型主泵的真空机组中。

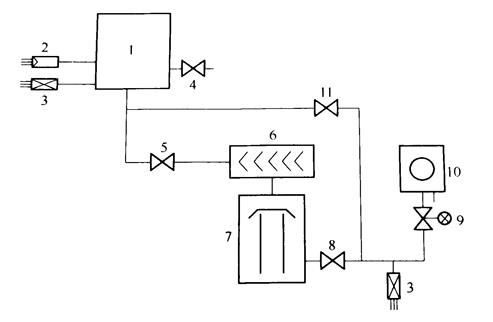
图1-5 带有维持泵(或储气罐)的真空系统
1——真空室充气阀; 2——真空测量规; 3——高真空阀; 4——冷阱; 5——油扩散泵; 6——维持泵; 7——储气罐; 8——真空规(测扩散泵前级压力); 9——前级阀; 10——预抽阀; 11——电磁压差阀; 12——机械泵
1.1.2.3储气罐
小型扩散泵高真空抽气机组通常配置有储气罐,设置在扩散泵和前级泵之间,贮存扩散泵排出的气体。设置储气罐的原因有:
(1)系统防震的需要。真空系统工作时,某些工艺过程要求严格防震,因此真空室处在工作状态中时,前级机械泵在一段时间内停止工作。在这段时间内,扩散泵排出的气体全都贮存在储气罐中,用储气罐代替机械泵维持扩散泵正常工作。
(2)为了缩短工作周期。有些生产工艺要求在不关闭扩散泵加热器的情况下,真空室放进大气进行换取工件、装料工作,而真空机组的前级泵兼作预抽泵用。装料后,用机械泵预抽真空室,在这段时间内利用储气罐来维持扩散泵工作(作为前级泵用)。
(3)为防止真空室内瞬时大量放气而影响扩散泵正常工作。真空工艺生产中的某段时间内放气量特别大,但时间短。若按此时的最大排气量配置前级机械泵很不经济;此时可在系统中配置前级储气罐,在最大放气量时储存一部分气体,以避免扩散泵的前级压力超过最大反压力。
(4)用于稳定扩散泵出口压力。由于机械泵排气是脉动的,虽然频率不高,但是也会引起扩散泵出口压力的波动。设置储气罐可减少这种波动。
2024-12-07 04:41:24
2024-12-07 04:39:08
2024-12-07 04:36:52
2024-12-07 04:34:36
2024-12-07 04:32:20
2024-12-07 04:30:04
2024-12-07 04:27:48
2024-12-07 04:25:32
2024-12-07 04:23:16
2024-12-07 04:21:00
2024-12-07 04:18:44
2024-12-07 04:16:29
2024-12-07 04:14:13
2024-12-07 04:11:57
2024-12-07 04:09:41
2024-12-07 04:07:25
2024-12-07 04:05:09
2024-12-07 04:02:53
2024-12-07 04:00:37
2024-12-07 03:58:23