《董美人墓志》隋志小楷中第一,开唐代锺绍京一路小楷之先河
2025-07-19 09:59:11
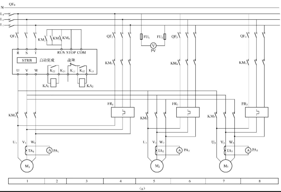
软启动器一拖三的控制电路
控制电路如图4-1所示。该电路适用于一台软启动器拖动三台电动机分时启动,在任一台电动机启动完成后,软启动器处于待命状态,此时方可允许启动下一台电动机。在这种工作方式下,软启动器的停止功能不能使用,同时必须另加电动机的热保护继电器。 由于电动机M1、M2、M3的工作过程相同,所以仅介绍M1的工作过程。合上断路器QF0[1]→HL4~HL6[18~20]得电点亮,表示电动机M1~M3未工作。
(1)M1启动

(2)停止 按下M1的停止按钮SB12[12],KM2[12]失电,主触点[4]断开,电动机停转。 在启动过程中,出现故障时,故障继电器 KA2 [3]得电,#KA2 (1-3)[9]断开,KM1 [9]失电,软启动器停止工作,电动机停转。

图4-1软启动器一拖三控制电路
(3)故障处理 在M1运行过程中,出现过载时,热继电器 FR1 [4]动作,#FR1 (1-65)21]闭合,KA01[21]得电,#KA01(31-33)[12]断开,KM2[12]失电,电动机停转。
2025-07-19 09:59:11
2025-07-19 07:20:21
2025-07-19 07:18:06
2025-07-19 04:32:33
2025-07-19 04:30:18
2025-07-19 01:49:13
2025-07-18 23:10:19
2025-07-18 23:08:05
2025-07-18 21:53:35
2025-07-18 21:51:19
2025-07-18 21:49:03
2025-07-18 20:22:30
2025-07-18 14:02:00
2025-07-18 11:20:47
2025-07-18 08:44:08
2025-07-18 08:41:53
2025-07-18 06:25:09
2025-07-18 04:49:28
2025-07-18 03:43:59
2025-07-17 21:17:59