张敬轩关智斌同性恋情完结?两人被爆分手
2025-11-21 22:52:27
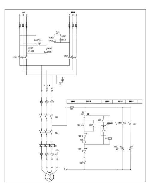
双电源自动切换开关原理(一起来看看)
两个接触器实现切换:备用电源的线圈走主接触器的常闭点,主电源接触器吸合主电路导通主电源断电,备用电源通过主接触器的常闭点导通如果主电源恢复正常,备用电源断开,今天小编就来说说关于双电源自动切换开关原理?下面更多详细答案一起来看看吧!

双电源自动切换开关原理
两个接触器实现切换:备用电源的线圈走主接触器的常闭点,主电源接触器吸合主电路导通。主电源断电,备用电源通过主接触器的常闭点导通。如果主电源恢复正常,备用电源断开。
一个继电器两个接触器:主电源的接触器线圈走继电器的常开触点,备用电源的接触器线圈走继电器的常闭触点。
主线路有电的时候,继电器吸合,常开触点闭合,主线路导通。常闭触点断开,备用电源不工作。当主线路断电的时候,继电器也断电。常开触点恢复初始断开状态,主线路断开。备用电路的接触器通过继电器的常闭触点开始工作。
2025-11-21 22:52:27
2025-11-21 22:50:12
2025-11-21 22:47:56
2025-11-21 22:45:40
2025-11-21 22:43:23
2025-11-21 22:41:07
2025-11-21 22:38:51
2025-11-21 22:36:34
2025-11-21 22:34:18
2025-11-21 22:32:02
2025-11-21 22:29:46
2025-11-21 22:27:30
2025-11-21 22:25:14
2025-11-21 22:22:59
2025-11-21 22:20:43
2025-11-21 09:54:08
2025-11-21 09:51:53
2025-11-21 09:49:38
2025-11-21 09:47:24
2025-11-21 09:45:08